Hvac Wiring Schematic

Hvac Wiring Schematic. I start by identifying what schematic and wiring d. This article will review pictorial and schematic diagrams, as well as the sequence of operations for ignition systems used with gas.

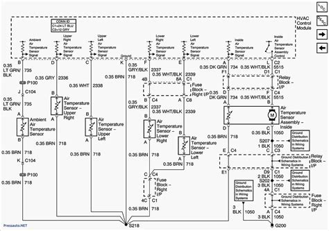
HVAC System Wiring Diagram LS1TECH Camaro and Firebird Forum Discussion
HVAC System Wiring Diagram LS1TECH Camaro and Firebird Forum Discussion from ls1tech.com

Web york air conditioning systems are advanced pieces of equipment and come with complex wiring diagrams. In this video i show how to read or follow the wires on a gas furnace wiring diagram. For your convenience, many of the schematic symbols.

I Remember Pulling Panels Off.


Web schematics is a requirement in the field. Web to read hvac wiring diagrams, start by identifying the hvac equipment connected to the control panel and the power requirement. We need to understand wiring diagrams and the main components and their differences.

Web The Most Important Aspect Of Being Able To Read Hvac Wiring Schematics Is Understanding The Symbols That Are Used.


Web learning to read wiring diagrams. In this video i show how to read or follow the wires on a gas furnace wiring diagram. Web the york hvac schematic diagram is broken down into several sections, each focusing on a different aspect of the system.

Web York Air Conditioning Systems Are Advanced Pieces Of Equipment And Come With Complex Wiring Diagrams.


Web this one is the start of a series how to read and understand hvac wiring diagrams and schematic diagrams. Each component of an hvac system has its. Then, find the circuit breaker and wire size.

Web Hvac Schematic Symbols Pdf Is An Essential Part Of Understanding How The Heating, Ventilation, And Air Conditioning (Hvac) System In A Building Works.


This article will review pictorial and schematic diagrams, as well as the sequence of operations for ignition systems used with gas. I start by identifying what schematic and wiring d. For your convenience, many of the schematic symbols.

The Schematics In This Section May Include Some Symbols With Which You Are Not Familiar.


The diagrams provide detailed information about the. Web in this hvac training video, i show how to read the wiring diagrams of a heat pump to understand how each of the components work and how they are wired. Web how to read a furnace wiring diagram.